3IBT 4.500 Nm Square Drive Hydraulic Torque Wrench
- Model code : 3IBT
- Capacity range: 450 – 4500 N.m
- Square drive : 1.0” inch
- Working pressure 700 bar max
- Tightening torque accuracy ±3%.
- Optimum socket height: 65-75mm
- Aluminium-titanium alloy body
- Screw type quick release coupling
- 360°-180° multi position swiefel
- 360°-180° rotatable reaction arm
- Tool weight without socket 5 kg
- Delivered in a foamed plastic box
- Trade mark: Torc-Tech International
- Under pressure testet, ready to use
- Delivered with in house calibration torque chart
- Smilar to Hiforce TWS45N - Enerpac S300X
- Hytorc MXT3 - TorcUP TU-3 – TorsionX 3MD

Genaral Features
- Torc-Tech Hydraulic Torque Wrench Genaral Features
- Tightening torque accuracy ±3%
- 10 different models using impact sockets.
- Capacity range from 112 to 72,000 N·m.
- Durabile & reliabile through singlebody construction
- Titanium-aluminum alloy, lightweight and strong.
- Suitable for continuous heavy duty operation
- Rotatable multi-position reaction arm with locking feature
- Easily replaceable fine-thread square or Allen drive
- 360° x 180° rotatable multi-position oil inlet port
- Screw fastening coupling with locking mechanism
- Laser-engraved pressure torque table on the body
- Comprehensive accessories and drive options
![]() |
![]() |
![]() |
![]() |
Attachments:
| Product Datasheet | Pressure Torque Table | Exploded Drawing | Calibration Certificate | User Manual |
![]() |
![]() |
![]() |
![]() |
![]() |
Torque Wrench Technichal Table
| Model | Capacity (N.m) | Drive | Weight | |
| No | Max. | Min. | inch | Kg |
| 07IBT | 1.100 | 110 | 3/4” | 1.8 |
| 1IBT | 1.800 | 180 | 3/4” | 2.5 |
| 3IBT | 4.500 | 450 | 1” | 5 |
| 5IBT | 7.500 | 750 | 1.1/2” | 8 |
| 8IBT | 10.700 | 1.000 | 1.1/2” | 11 |
| 10IBT | 15.500 | 1.550 | 1.1/2” | 15 |
| 20IBT | 26.600 | 2.600 | 2.1/2” | 26.5 |
| 25IBT | 34.700 | 3.400 | 2.1/2” | 35 |
| 35IBT | 48.700 | 4.800 | 2.1/2” | 50 |
| 50IBT | 72.000 | 7.200 | 2.1/2” | 87 |

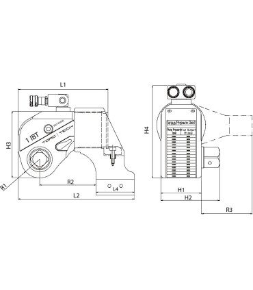
Torque Wrench Size Table (mm)
| Model | L1 | L2 | L3 | H1 | H2 | H3 | H4 | R1 | R2 | R3 |
| No | Sizes (mm) | |||||||||
| 07 IBT | 110.8 | 139.3 | 46 | 42 | 65.8 | 76.2 | 108.1 | 20.May | 68.3 | 54 |
| 1 IBT | 144.5 | 173.5 | 55 | 50 | 72 | 96 | 131 | 26 | 85 | 66.5 |
| 3 IBT | 178 | 229 | 75 | 68 | 95 | 127 | 176.5 | 34 | 114 | 89.5 |
| 5 IBT | 210.5 | 270.5 | 87 | 80 | 123 | 149 | 199 | 39 | 137 | 100 |
| 8 IBT | 222 | 293 | 88 | 90 | 134 | 167 | 217 | 47 | 153 | 120 |
| 10 IBT | 245.5 | 317.5 | 105 | 100 | 142 | 182 | 232 | 51 | 154 | 128 |
| 20 IBT | 307.5 | 383.5 | 127 | 120 | 183 | 220 | 270 | 59 | 186 | 153 |
| 25 IBT | 323 | 401 | 130 | 137 | 200 | 247 | 297 | 66 | 199 | 159.3 |
| 35 IBT | 372.5 | 496.5 | 135 | 153 | 216 | 282 | 332 | 77 | 241 | 167 |
| 50 IBT | 400 | 516 | 160 | 160 | 223 | 291 | 341 | 81 | 259 | 178 |








